江苏盐城响水县江苏圣厦建设有限公司“5•22”一般中毒窒息事故调查报告
2019年8月29日中午12时20分左右,位于盐城市响水工业经济区的江苏德龙镍业有限公司炼铁三厂在进行12号干燥窑筒体焊补过程中,发生一起有限空间作业中毒事故,造成1人死亡,5人受伤,直接经济损失约132.2万元。
事故发生后,根据《中华人民共和国安全生产法》《生产安全事故报告和调查处理条例》(国务院令第493号)和市政府《生产安全事故报告和调查处理办法》(盐政规发〔2014〕8号)以及市安委办《关于对生产安全事故多发镇(园区)开展重点关注的通知》(盐政安办〔2018〕84号)相关规定要求,市政府委托市应急管理局会同市公安局、总工会等部门和单位组成事故调查组对该起事故进行调查。同时邀请市监委派员参加,并聘请机械行业专家参与事故调查工作。事故调查组通过对事故现场取证分析、查阅相关资料、询问有关当事人并根据专家意见,现已查明事故发生经过和事故原因,认定了事故性质和事故责任,提出了对相关事故责任单位和责任人员的处理建议,同时提出了事故防范和整改措施。现将有关情况报告如下:
一、事故发生单位概况及有关情况
(一)事故发生单位概况
江苏德龙镍业有限公司(以下简称:江苏德龙公司)成立于2010年8月2日,注册地址为江苏响水沿海经济开发区观潮二路以南(原三圩盐场八工区),统一社会信用代码为913209215593
47937U,公司类型为有限责任公司,注册资本20000万元,法定代表人戴笠,总经理顾志玉,主要经营范围为镍合金生产与销售等。2016年12月29日公司取得《安全生产标准化二级企业(冶金铁合金)》证书。2019年8月18日,公司对内部管理架构进行调整,将原炼铁厂分拆为四个分厂,并将原各分厂机修人员进行整合,组建机修分厂。现下设炼铁一厂、炼铁二厂、炼铁三厂、炼铁四厂、炼铁机修厂、炼钢、轧钢、固溶、铁渣、机动等10个独立性分厂,此次事故发生在炼铁三厂回窑工段。
(二)炼铁三厂基本情况
炼铁三厂负责进行炼铁生产,将红土镍矿与还原煤配料焙烧后熔炼,形成熔融金属后运至铸铁分厂加工。该厂现有四条生产线,从业人员约400人,年生产能力为12.5万吨。厂长为陈渊,副厂长为陈立刚;下设生产技术科、安全科,设专职安全员2名,分别为胡海龙、蒋小波。共设6个工段,分别是1个供料工段和5个矿热炉工段,每个工段设置工段长1名。供料工段下面又分成回窑、除尘、原料、车队等4个大班,每个大班设置大班长1名。每个大班又分别设甲、乙、丙三班,每个班设置当班班长1名,实行三班二运转,分别于每天早上8:00和晚间20:00进行交接班,工作时长12小时。此次发生事故的岗位为供料工段回窑大班,供料工段长为黄国伟,回窑大班长为孙伟健,当班班长为乙班班长王青。供料工段主要设备有5台矿热炉(25500KVA)、4台回转窑(Φ4.4×100m;2×315KW)、3台干燥窑(Φ4.5×45m;1×400KW)及除尘和烟气处理等配套设施等。
(三)事故现场勘查情况
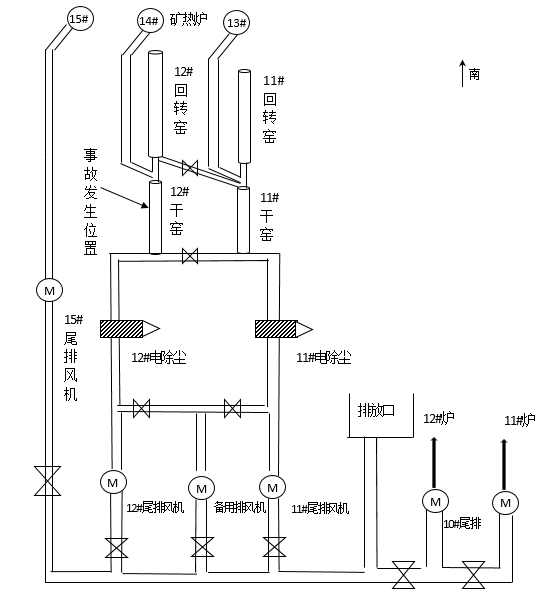
经对事故现场勘查,事故发生位置为江苏德龙公司炼铁三厂12#干燥窑(详见图一:事故发生位置示意图)。该设备窑体材质为Q235钢板,外直径4.5米,总长度45米,呈南北向水平支撑在支架上(窑头略高于窑尾,倾角约3度)。窑体内壁密集分布1000多片高约0.28米的扬料板。设备运行时,支架上的电机通过减速器带动窑体以2rpm的速率低速旋转。
图一 事故发生位置示意图
干燥窑工作原理:将含水率超标的红土镍矿原料通过带式输送机注入窑头;利用窑尾设置的1250KW排风机(简称尾排)将14#矿热炉和12#回转窑产生的高温烟气从窑头引入窑内烘烤原料,窑内利用过的烟气同时从窑尾被抽出窑体;随着筒体的旋转,扬料板将原料散开与高温烟气充分接触以降低原料含水率;由于窑头和窑尾之间存在高度差,旋转的原料自动流向窑尾后落到带式输送机上转运至回转窑。
通往干燥窑的高温烟气管道有三条,管道直径均达到2.5米。其中,一条为矿热炉烟气管道,管道中间设置有插板阀,管壁设有人孔;一条为回转窑烟气管道,管道中间设置有直径2.4米蝶阀,管壁设有人孔;还有一条为连接两台干燥窑的互通管道(管壁设有人孔),该管道中间设置有插板阀,用于切换高温烟气流向。该互通管道通常处于隔断状态,仅在当一台干燥窑停止运行时,打开阀门,通过此互通管道将高温烟气导入另一台干燥窑合并利用。但蝶阀和插板阀均不能保证烟气少量泄漏和互窜。
(四)12#干燥窑检修情况
2019年8月28日,炼铁三厂在日常巡检中发现12#干燥窑筒体开裂,炼铁三厂和炼铁机修厂人员现场进行了察看。当日,炼铁三厂向炼铁机修厂申报检修计划,计划次日对12#干燥窑筒体实施焊接。炼铁机修厂在接到检修计划后,在当日下午例会上确定采取对筒体外部进行焊补的方案,安排该厂抢修小组钳工班长严国良、钳工王海建等2人进行12#干燥窑筒体焊接。
二、事故发生经过、应急救援及善后处理情况
(一)事故发生经过及应急救援情况
根据炼铁三厂检修计划,2019年8月29日凌晨0时34分,炼铁三厂对14#矿热炉实施停炉;凌晨2时,12#回转窑停止运行。2019年8月29日上午8时左右,炼铁三厂回窑工段长黄国伟、司炉工朱从庆(现场监护人)以及严国良、王海建先后到达炼铁三厂12#干窑。严国良等人查看12#干窑筒体后,发现共有5个点需要修补。现场办理《设备检(维)修作业票》《动火作业许可证》《登高作业许可证》后,严国良和王海建开始对干窑筒体实施焊补作业。炼铁三厂副厂长陈立刚约8时20分左右到达检修现场,在检查作业现场情况后与严国良商量焊接方案。因在筒体外部焊接,需用1米长的槽钢,不容易焊接,严国良说:“外面不好焊,里面只要用150mm×150mm的板和500mm的槽钢就可以了”。陈立刚即安排严国良等人去割取材料。至上午10时左右,严国良等人在焊接第三个裂缝时,陈立刚回到12#干窑筒体检修现场,发现严国良、王海建仍在筒体外部焊接,就问严国良:“你们怎么还没去里面焊,里面焊得快,这样14号炉就可以早点重新开”。严国良回答说:“快吃饭了,准备吃完饭再进窑体焊接”。
2019年8月29日11点半左右,严国良、王海建吃完午饭,又回到12#干燥窑作业现场。12时左右,黄国伟通知炼铁三厂回转窑乙班班长王青将烘干窑配电柜开关打零位。王青到达现场,发现严国良、王海建、陈立刚、朱从庆尚未进入12#干燥窑筒体内。王青将配电柜开关打了零位,并与中控室操作人员确认打到零位后离开现场。此后,严国良、王海建、陈立刚、朱从庆和最后到达现场的黄国伟进入了12#干燥窑筒体内,所有人员均未佩戴防中毒窒息个人防护用品。经查,上述人员进入干燥窑筒体前未按规定办理《有限空间作业许可证》,未对干燥窑筒体内空气进行检测。中午11时30分左右,严国良和王海建在作业票保管人方义铁(江苏德龙公司炼铁三厂巡检工)提供的空白《有限空间作业许可证》(编号为1810199号)上签名,随后,方义铁伪造填写了气体检测数据、接受作业、批准作业等相关内容,以及气体分析检查人朱从庆、作业批准人黄国伟等人姓名。事故发生次日,方义铁在该作业许可证上伪造了结束作业相关内容,并填写了死者王海建的姓名。
12时20分左右,黄国伟来到12#干燥窑的窑尾检修口,发现陈立刚等人已经进入窑内,遂也进入窑体。进入窑体约5米左右,其随身携带的一氧化碳报警仪开始报警。黄国伟立即用对讲机呼叫中控,要求将风量从20Hz加大到25Hz,与此同时,他看到朱从庆自里向外跑了几步,就倒下了。陈立刚去拉朱从庆,没有拉动,随后晕倒。黄国伟上前协助拉朱从庆的时候,也晕倒。回窑大班长孙伟健听到黄国伟通过对讲机呼叫中控,让中控加大风量的声音,随即前往12#干窑,并用对讲机呼救,王青也赶到事故现场。两人一起进入干燥窑,将陈立刚先救了出来,随后孙伟健因吸入干窑内气体,身体不舒服瘫坐在平台休息,王青返回继续救援时也晕倒在干燥窑里面。此后,安全员蒋小波和钳工工段长陈春等赶到救援,相继将黄国伟、王青、朱从庆、严国良、王海建等人救出。随即120救护车将受伤人员送往嘉明医院抢救,王海建经抢救无效死亡(经响水嘉明医院诊断及响水县公安局物证鉴定室法医学尸体检验鉴定,王海建系一氧化碳中毒死亡)。陈立刚被救出时已苏醒,未与上述人员一起去医院就诊,后自行去医院检查、输液。
(二)事故善后处理情况
接到事故报告后,盐城市响水工业经济区管委会(以下简称:响水经济区管委会)、盐城市边防支队灌河口边防派出所迅速派人赶到事故现场进行应急处置,开展事故善后处理,协助安抚、稳定死者亲属情绪。2019年8月31日,江苏德龙公司与王海建家属达成赔偿协议,善后处理工作结束。受伤人员先后经响水嘉明医院和常州市第二人民医院治疗后出院。
三、事故造成的人员伤亡和直接经济损失
(一)死亡人员基本情况
事故造成1人死亡。王海建,男,1971年4月4日出生,公民身份号码:320921197104045439;家庭住址:响水县黄海农场第九管理区四十二大队,系江苏德龙公司炼铁机修厂抢修小组钳工。
(二)受伤人员基本情况
事故造成5人受伤:
1.严国良,男,1966年9月22日出生,公民身份号码:320421196609227914;家庭住址:常州市新北区顺园新村;系江苏德龙公司炼铁机修厂钳工班长。
2.朱从庆,男1960年12月5日出生,公民身份号码:32102519601205201X;家庭住址:响水县城北小区6幢606室;系江苏德龙公司炼铁三厂司炉工。
3.王青,男,1968年7月8 日出生,公民身份号码:320921196807088713;家庭住址:响水县灌东盐场农工商公司家属区;系江苏德龙公司炼铁三厂班组长。
4.黄国伟,男,1969年5月16日出生,公民身份号码:320422196905166235;家庭住址:江苏省金坛市薛埠镇薛埠村;江苏德龙公司炼铁三厂工段长。
5.陈立刚,男,1974年10月2日出生,公民身份号码:513024197410020836;家庭住址:四川省万源市青花镇二龙沟村;系江苏德龙公司炼铁三厂副厂长。
(三)直接经济损失
事故造成直接经济损失约132.2万元。
四、事故发生的原因和事故性质
(一)直接原因
干燥窑内存在一氧化碳等有毒有害气体,维修作业人员在没有对干燥窑筒体进行有效隔断,未进行有效通风置换,未按规定对干燥窑筒体内氧浓度、易燃易爆物质浓度、有毒有害气体浓度进行检测,未穿戴防止中毒窒息的个体防护用品的情况下,进入干燥窑作业导致中毒。施救人员未采取防中毒窒息安全防护措施的情况下冒险施救,导致事故后果扩大。
(二)间接原因
江苏德龙公司安全生产主体责任未落实到位,隐患排查治理不彻底,有限空间作业管理混乱,是事故发生的主要原因。
1.安全生产责任制不健全。岗位安全职责不清,未将检修作业安全职责和涉及有限空间作业安全职责落实到检修现场负责人、监护人员和作业人员。
2.干燥窑设计存在缺陷。矿热炉烟气管道、回转窑烟气管道及连接两台干燥窑的互通管道分别单独设置蝶阀和插板阀,均非有效隔断设施。在对干燥窑筒体进行强制排风时,不能完全避免烟气自蝶阀和插板阀处泄漏而进入干燥窑筒体。
3.有限空间作业管理混乱。有限空间作业许可证制度形同虚设,有限空间作业票管理失控,未按规定履行有限空间作业审批手续,进入干燥窑作业前未按规范制定作业方案、安全防范措施和应急处置方案,未向作业人员进行安全技术交底;未为作业人员提供呼吸器、防毒面具、安全绳索等必要的个体防护用品;未进行通风和检测,进入有限空间作业。
4.日常安全检查不到位。公司安全管理人员对车间安全巡查不到位,对干燥窑筒体检修作业未能检查到位,未发现检修人员违规进入干燥窑筒体实施检修作业。
5.安全教育培训工作流于形式。对从业人员日常安全教育培训不到位,未将作业场所事故风险向从业人员进行全面告知。检修现场人员安全意识淡薄,对进入干燥窑筒体实施检修作业的中毒窒息风险缺乏认识。
6.事故应急管理不到位。有限空间作业事故应急预案演练流于形式,员工自救互救能力不足。干燥窑检修现场未配备隔离式空气呼吸器、安全绳等应急救援设施器材,现场应急处置能力不足。
(三)事故性质
经调查认定,这起事故是一起一般生产安全责任事故。
五、相关部门和单位履职情况
响水工业经济区管委会负责承担园区内生产经营单位安全生产工作的属地监管职责,按照“一岗双责”的要求签订安全生产责任状,落实安全责任;成立5个专委会加强重点行业领域监管,形成网格化管理;成立响水工业经济区安监局,落实6名安监人员具体承担日常安全监管工作。3月份,聘请上海五基安全技术服务有限公司8名专家历时3天对该江苏德龙公司进行安全检查,共查出隐患589条。7月份,聘请中天钢铁8名专家对该公司全方位检查,发现隐患39条,并提出改善管理意见。截至8月底,共组织对江苏德龙公司开展各类安全检查9次,查出隐患697条,全部整改到位。但在日常监管中,仍存在对江苏德龙公司设备检修及有限空间作业等危险作业督查指导不够细致全面等问题。
响水县应急管理局具体负责承担冶金行业安全生产监督管理职责。今年以来,该局克服“3·21”事故对开展日常工作的影响,强化工贸行业监督检查,督促企业落实安全生产主体责任。该局先后对江苏德龙公司组织4次安全检查,共排查隐患75条,均督促整改到位,基本履职到位。
六、事故责任认定及处理建议
(一)事故相关人员责任认定及处理建议
1.建议追究刑事责任人员
(1)严国良,男,江苏德龙公司炼铁机修厂钳工班长。违规在空白有限空间作业许可证上签名,在安全措施不到位的情况下,带领本班组作业人员进入有限空间进行作业,对事故的发生负有直接责任。因涉嫌构成犯罪,建议由公安机关对其立案侦查。
(2)方义铁,男,江苏德龙公司炼铁三厂巡检工,伪造填写有限空间作业许可证相关内容,对事故的发生负有直接责任。因涉嫌构成犯罪,建议由公安机关对其立案侦查。
(3)陈立刚,男,中共党员,江苏德龙公司炼铁三厂副厂长,负责炼铁三厂生产、安全等工作。未执行公司安全生产规章制度和操作规程,在未对安全条件进行确认的情况下,组织作业人员进入有限空间作业导致事故发生,对事故发生负有主要责任。因涉嫌构成犯罪,建议由公安机关对其立案侦查。
(4)顾志玉,男,江苏德龙公司总经理,主持公司全面工作。未能正确履行安全生产工作职责,督促检查公司安全生产工作不到位,事故隐患排查治理工作组织不力,对事故的发生负有主要领导责任。因涉嫌构成犯罪,建议由公安机关对其立案侦查。
2.企业其他人员责任认定和处理建议
(1)王海建,男,江苏德龙公司炼铁机修厂钳工。违规在空白有限空间作业许可证上签名,在安全措施不到位的情况下,违章进入有限空间进行作业,对事故的发生负有直接责任。鉴于已在事故中死亡,建议免于追究责任。
(2)蒋小波,男,江苏德龙公司炼铁三厂安全员,具体负责炼铁三厂安全生产管理工作。未正确履行工作职责,作业现场安全管理不到位,对有限空间作业隐患排查治理不及时,对事故的发生负有次要责任。建议由江苏德龙公司依照公司管理规定对其进行处理。
(3)陈渊,男,中共党员,江苏德龙公司炼铁三厂厂长,主持炼铁三厂全面工作。未正确履行安全管理职责,事故隐患排查治理工作组织不力,对有限空间作业工作督导不到位,对事故的发生负有主要领导责任。建议由响水县应急局依法对其进行行政处罚。
(4)詹大昱,男,中共党员,江苏德龙公司安全总监,负责公司安全生产管理工作。事故隐患排查治理工作组织不到位,对炼铁三厂安全生产工作督促指导不力,对事故的发生负有主要领导责任。建议由响水县应急局依法对其进行行政处罚。
(5)周国忠,男,中共党员,江苏德龙公司总经理助理,分管公司生产和安全等工作。事故隐患排查治理工作组织不到位,对炼铁三厂安全生产工作检查指导不力,对事故的发生负有主要领导责任。建议由响水县应急局依法对其进行行政处罚。
(6)戴笠,男,江苏德龙公司法定代表人。未正确履行安全生产工作职责,督促指导公司安全生产工作不到位,对事故的发生负有重要领导责任。建议由响水县应急局依法对其进行行政处罚。
3.监管部门责任人员认定及处理建议
(1)薛中生,男,响水工业经济区安监局局长,负责响水工业经济区安监局全面工作。对江苏德龙公司有限空间作业监督管理不够全面细致,建议响水经济工业区党工委对其进行提醒谈话。
(二)事故相关单位责任认定及处理建议
1.江苏德龙镍业有限公司。未能举一反三深刻吸取近年来公司发生的多起生产安全事故的教训,安全管理制度及安全操作规程执行不严格,安全教育和培训工作不到位,隐患排查治理不及时不彻底,应急救援管理不到位。对事故的发生负有主要责任,建议由响水县应急局依法对其进行行政处罚。
七、事故防范和整改措施
(一)落实主体责任,全面提高安全保障水平。江苏德龙镍业有限公司要深刻吸取“8·29”事故教训,举一反三,针对自身安全生产特点,加强重点部位、重点岗位的巡查检查,加强岗位员工的安全教育培训,强化安全管理,杜绝“三违”行为,确保不再发生类似事故。要以落实安全生产主体责任为主线,建立完善安全生产管理机构,配齐配强安全管理人员,确保安全生产工作各项环节有人有责。要加强有限空间作业现场管理,认真落实有限空间作业审批制度,严格遵守“先通风、再检测、后作业”的作业程序,督促作业人员佩戴个体防护装备,确保作业安全。要加强有限空间作业专项安全培训,对从事有限空间作业的现场负责人、监护人员、作业人员、应急救援人员进行培训,切实提高相关人员的安全意识和安全技能。要加强事故应急管理,制定针对性的应急预案,开展经常性应急演练,作业现场必须配备呼吸器、防毒面具、通讯器材、安全绳索等防护设施和应急装备,切实提高应急处置水平和自救互救能力。
(二)加大执法力度,切实履行安全监管责任。响水县应急局要进一步加大监督执法的频次和力度,对检查发现的隐患和问题实行“零容忍”,确保隐患问题及时整改到位,违法违规及时处罚到位。对问题突出的企业要加大通报、曝光,提高涉事企业违法违规的社会和经济成本,加大监管执法的威慑力,推动企业安全生产主体责任落实。同时,要深化钢铁企业重大生产安全事故隐患排查治理专项行动,对仍存在重大生产安全事故隐患或整改不到位的企业,要依法从重处罚,并追究相关责任人责任。
(三)强化属地监管,确保安全生产形势稳定。响水县政府要充分分析江苏德龙公司近年来事故频发的原因,加强对响水工业经济区安全监管工作的督导,督促江苏德龙公司切实加强安全管理,履行安全责任。响水工业经济区管委会要深刻吸取事故教训,进一步强化辖区内企业安全监管,要突出事故隐患排查治理、危险作业管理等重点内容,加强对园区内企业的监督检查,督促企业严格设备检维修、有限空间作业等危险作业审批制度,坚决杜绝违章指挥、违章操作、违反劳动纪律等行为,严防类似事故再次发生,坚决遏制事故多发态势。
