平面设计主要反映导轨式爬架平面整体布局、预埋点位置以及爬架内立杆离墙距离。
架体的机位平面布置图

架体高度及内立杆离墙距离可随施工需要确定,架体一般中心宽度为0.9米,架体步距1.8米。
本工程1#、2#公寓楼架体均拟定从2层开始组装折叠式升降脚手架,均防护至女儿墙,如图右所示。

采用15m高的折叠式升降脚手架,共布置了6层走道板,走道板步距从下到上分别为3.2m、3.1m、2.1m、2.3m、2.0m,剩余的2.25m作为防护高度 立面图详见右图。


当梁板准备浇筑混凝土前,按照机位平面图、立面图,使用内孔35-40mm壁厚大于2mm的PVC塑料管,管两端用宽胶布封住,以防止混凝土浇灌时进入管内而堵塞预埋孔。留孔左右位移误差应小于20mm,当大于20mm时,需要重新校核定位并重新钻孔。右图粗线部分即存在250mm线条位置,架体的附着使用50mm+200mm的加高件进行附着(详图1、图2)。细线部分即无线条位置架体附着使用50mm加高件进行附着(详图3、图4)。住宅楼经常遇到奇偶层复式阳台,此类结构架体附着需要使用多节立柱进行叠加,导座附着于立柱上,立柱通过可调斜拉杆拉结于结构上。复式阳台水平范围内,需要在每层走道板上600mm、1200mm高度,用钢丝绳或者矩形方管安装扶手。由于结构特点,部分机位不得不附着于挑板上,需要结合挑板的混凝土强度、配筋进行计算,无法满足要求则需要通过斜拉杆进行卸荷,将荷载传递给内部框架梁或其他构件由于结构特点,部分机位不得不将特制预埋螺杆预埋于混凝土内一同浇筑(多出现在转角或其他混凝土墙柱厚度较大位置)对于结构线条尺寸50mm-800mm的位置,需要通过加高件将架体垫出相同尺寸以便导轨正常通过。部分项目在靠近封顶楼层的较大变化外凸线条,也可与总包协商采取预留洞口方式让导轨通过。凸窗位置上反部分二次浇筑时,可改用专用600mm的加高通用件进行附着。为了解决立面上某几层线条较大(大于800mm)的情况,看使用加长三角铁件附着于楼板上并斜拉卸荷的方式进行附着。在爬架安装前必须搭设操作平台,操作平台搭设示意图(见图四)。根据建筑物具体情况,先将脚手架搭至标准层底层,安装操作平台位于楼面下800mm左右,平台上铺设脚手板,平台内侧距墙200mm,平台宽度在1500 mm以上。搭设时注意平台必须能承受2KN/m2荷载。
升降脚手架架体过塔吊附臂时,采用3m翻板式脚手板。待架体过附臂时,拆掉防护网,拧掉固定螺栓,翻起脚手板。过附臂后放下脚手板,固定好脚手板,安装防护网。每提升一层通过塔吊附臂时,重复以上过程。由于架体为定型设计,故塔吊附臂需要严格按照双方协商如图所示进行布设。一般情况下,吊桥翻板需要设置在待建层下一层以下的全部走道板,如右图需要从下至上设置4道本工程1#、2#公寓楼每栋楼设置一个自爬下撑式卸料平台,位置如右图所示。额定荷载1500kg,为确保施工安全,限定使用荷载不大于800kg。由于架体均从2层开始组装,故卸料平台需要从第3层开始使用。卸料平台一般位于架体最下步走道板位置,开始使用位置一般较架体使用位置高上一层,例如架体从4层楼面开始组装使用,则卸料平台需要在5层才能开始使用。卸料平台的提升及附墙与架体相同,可与架体分别独立提升。待架体防护至封顶,底部卸料平台随着平台上部架体的拆除而提升至顶层。卸料平台先于地面组装完成后经过验收合格方可吊装,吊装前务必把所有零部件连接好,并保证其成为一个刚性的整体。若施工电梯始终在架体下方,则只需注意封顶之后,电梯需要上升至顶层。若电梯设置位置在转角或者其他导致两侧跨度过大,电梯中央必须设置一个机位时,则仅能选择一侧轿厢进入架体。若电梯设置位置在较规整平直段,在满足机位跨度要求下中间不需布置机位,则可两轿厢同时进入架体。若架体既要上升又要下降,则施工电梯位置架体沿轿厢两侧预留200mm后断开,并使用网片进行断开侧面的防护。①楼梯数量:原则上一栋楼设置两个楼梯,需要增加楼梯需在招标文件体现③楼梯与机位之间必须保留至少600mm距离,以便通过。安装进度计划
根椐主体外墙工程进度确定其具体吊(组)装时间,并保证折叠式升降脚手架高出施工作业面至少1.2米,组装时需要人工15人左右。

辅助平台水平度控制10-30mm,内立杆内缘离墙﹤200mm,外侧立柱离墙>1200mm,外侧搭设单排防护高度1500mm。首层走道板安装后,间隔5~6米距离分别用2根钢管上下扣紧夹住走道板,加固走道板。案例工程1#、2#公寓楼均为2层开始组装,故在2层(1层顶板)位置搭设辅助平台走道板连接:将两片走道板外侧用连接钢板连接,内侧用螺栓对接连接在一起,然后按平面布置图的布置尺寸把走道板与建筑结构物平行摆放,并用加固扣件把走道板水平固定。走道板之间使用三颗M16X100螺栓连接,外侧用4颗M16X80螺栓连接安装立杆、水平桁架:按照平面布置图的布置尺寸放置竖向立杆,用M16×100六角头螺栓加垫圈、螺母与走道板连接,水平方向用水平桁架进行固定。水平桁架与立杆之间用M16X120螺栓,水平桁架与水平桁架之间用M16X100螺栓进行连接。安装第二步走道板、网框连接件、网片:组装好所有竖向立杆后,开始组装第二步走道板,其高度见立面图,一般首两层为一个标准层高。竖向立杆每1.5m高范围安装两个网框固定件,网框固定件用M16螺栓固定,和网片使用插销连接。安装固定导轨、导向座:先检测预埋孔位置正确后,将导向座套入导轨,将M30全螺纹螺栓连接导向座固定到建筑结构上,螺栓两端各加100x100垫片1个,螺母2个。安装配电线路:由于电动葫芦安装在折叠式升降脚手架底部,故配电线路按实际要求可铺设在第二层脚手板下部,配电线路为加工定制的带定型插头插座的定型电缆对口插接,每一种型号规格的定型电缆有不同孔眼的插头插座,从制作上就扗绝了接错线的隐患。智能提升系统由重力传感器、智能分机箱及由倒挂电动葫芦和上、下吊挂件、倒链装置组成,通过上吊挂件固定在建筑结构上,形成独立的提升体系,如下图所示。智能提升系统由重力传感器、智能分机箱及由倒挂电动葫芦和上、下吊挂件、倒链装置组成,通过上吊挂件固定在建筑结构上,形成独立的提升体系,如下图所示。附墙固定导向座(转轮式防坠器)装置是一种用于高层施工升降平台、升降脚手架、升降机等高空坠落的转轮式防坠装置。高层施工升降平台缓慢提升和缓慢下降时,导轨上的防坠杆与导座上的防坠转轮啮合传动。当升降高层施工升降平台架体在升降过程中突然下坠时,转动速度突然加快,滑键的上下往复运动被破坏,防坠转轮上的外齿卡住导轨上与其啮合传动的防坠杆,防止高层施工升降平台继续坠落,从而起到防止架体坠落的作用。

提升前需按“折叠式升降脚手架提升、下降作业前检查验收表”的要求检查确认,并经总包、监理单位相关负责人签字盖章后方可升降;当有5级以上大风、大雾和下雨等天气时,不得进行折叠式升降脚手架的升降工作;当遭遇台风等极端恶劣天气时,需要另外采取措施(拉结、下降、拆除网片)。 折叠式升降脚手架的提升以满足施工进度要求为准,每栋楼提升一层的操作时间为 1 个工作日,劳动力安排 4~6 人2、将折叠式升降脚手架内的所有提升装置拆除,并吊至地面分名别类的码放整齐。注意提升设备及控制设备等拆除、吊离时必须有保护措施,以免造成损坏。3、将吊装用钢丝绳(或尼龙带)钩挂牢在分组处的架体单元走道板与外立杆对接位置、导轨位置、内立杆与走道板对接位置,塔吊稍往上提将其张紧,如下图所示4、将塔吊吊住的架体单元与临边架体的水平桁架之间连接拆除5、将塔吊吊住的架体单元与临边架体的走道板之间的螺栓拆除6、将塔吊吊住的架体单元与临边架体的走道板边夹板的螺栓拆除,拆除时操作人员必须严格按照施工安全要求系好安全带。 8、拆除附墙固定导向座与建筑结构之间的穿墙螺杆,在上下方各装一个防止固定导向座滑动的扣件。 9、清理架体上所有拆下的连接固件及建筑垃圾,避免吊装时高空坠物。10、指挥塔吊将该架体单元慢慢往上吊,待与其它走道板脱离后再吊放至地面平放。11、地面操作人员将塔吊吊环拆除,并将架体单元上四根立杆拆除,准备用到下次吊装,地面操作人员将架体单元所有走道板及封网等配件全部拆散并按类分别叠放到指定位置,以便打包运输。12、 重复以上步骤,依次将折叠式升降脚手架的单元拆除、吊离和拆散。1、18m以下的架子(含18m)第一、二、三步走道板均为齐平楼层,即前两个步距为层高如右图,故前两层施工时,需要铝模使用马蹬或其他方法辅助施工。若再增加一步走道板,则可均为1.8m-2.0m步距,但仅为前两层增加一步走道板,材料的增加、人工的增加、重量变大后机位相应的增加,导致成本增加。
2、及时拆模:在施工过程中,总承包每浇筑一次混凝土,需要协调铝模(木工)班组在第二天对爬架的附着点进行侧面模板拆模工作,以方便我方及时安装附墙导向座进行架体提升,确保工程进度。

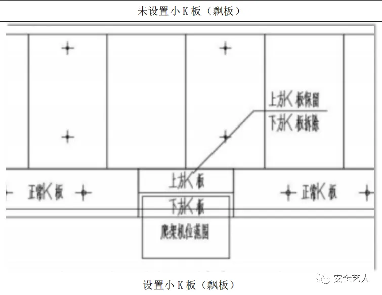
3、铝模的K板常与我方架体的附着点冲突。
①剪力墙位置:第一、剪力墙位置由于K板的存在,需要将导座安装位置下移至K板下方,并至少使用50mm加高件以便导座的下灌。

第二、对爬架附着位置K板专项设计,方便混凝土浇筑后,该部位K板的及时拆除,以及时安装爬架附着。


第三、支座处铝模独板优化成平板,支座直接安装在独板上固定后爬升。附墙支 座处的模板优化出放置附墙支座的空间,可在楼层现场首拼时现场开支座螺栓孔 (支座定位),连续竖向设置支座定位,需要配置 4 套独板,爬升时底部定位模 板跟随支座倒至到顶部顺坏使用,以此类推;


②飘窗位置。根据飘窗位置空间大小,看是否需要将K板设计成上下两块,混凝土浇筑完成,及时将爬架附着位置下半块K板提前拆除,以安装爬架附着支座。

③消防连廊位置。对该部位爬架附着点铝模独立设计,以满足附着处铝模能够及时拆除。

4、在架体提升过程中,不得有其他班组的人员在架体上施工。架体上不能堆放钢筯、木方、钢管、扣件、各种埋件、水电管等易滑落建筑材料。5、木工的支模体系不能利用外爬架做为受力点对模板进行加固。6、浇筑混凝土过程中,如果不慎有混凝土漏浆在架体上,每次提升前一天,安排人对架体的建筑垃圾进行清理,防止在提升过程中坠物伤人、确保施工安全与工程形象。7、由于爬架使用的预埋管件为塑料材质、且位置要求相对比较精确,为了确保每个孔位的畅通及位置的准确性,需要给浇筑班组技术交底浇筑时振动棒尽量不要靠在我方的预埋管件上面操作或不要人为破坏预埋管,以防止管件破坏或出现较大的位置偏移而导致我方不能安装附墙支座。由于附着式升降脚手架附着于高层建筑结构上,依靠提升设备自行升降,具有较大的势能和不确定因素,故一旦发生事故,后果严重,因此存在较大的施工风险,属于施工现场的重大危险源,一旦控制措施不到位或失效,应会造成重大事故隐患或导致事故发生。
2011年9月10日上午8时30分,西安市未央路和玄武路交界处的凯旋大厦工地一栋在建30层高楼,在施工过程中发生脚手架倒塌,这些脚手架是从20-23层坠落的,共造成10人死亡。主要原因就是由于使用过程中人为解除附着升降脚手架的防坠装置,下降作业前,操作人员在提升装置下吊点挂钩未钩住主框架的情况下,提前拆除承力构件,而此时脚手架上作业人员尚未拆离,最终造成脚手架架体塌和人员重大伤亡事故,是一起典型的违章操作引起的安全事故。

★需主楼及裙楼结构图(梁板、柱、大样)、建筑图(平、立、剖、大样)包括:机位数(估)、周长、防护面积、使用高度、起止层、提升层数、使用的附着、防护材料,项目特殊点。★从收到中标通知书到施工方案编制及材料计算需要15个工作日时间
★确定中标后,双方技术部取得联系,总包需要提供以下资料:
①施工电梯位置CAD及是否进入架体
②塔吊位置及附臂附着具体位置CAD
③卸料平台位置CAD(数量以招标投标文件为准)
④铝模深化图CAD
⑤公司广告放置位置及广告CAD文件

⑥流水段(架体的分组)是否有特殊要求
⑦飘窗或其他上反结构是否一次成型
⑧最新建筑结构图
变更步距是否调整
★方案编制过程中
①架体立面布置完成后,双方确认步距是否需要调整(若涉及走道板步数的变动,需要考虑费用的增加)
②是否有涉及图纸、塔吊、电梯等影响方案的变更需要第一时间通知

★方案编制完成后
①专家论证
施工方案公司内部自审并签字盖章→提供总包方公司审核签字盖章→报监理审核签字盖章,同时电子版提供专家组,约定时间定点进行专家论证。
建质【2009】87号文“关于印发《危险性较大的分部分项工程安全管理办法》的通知”附件二中提到提升高度150m及以上附着式整体和分片提升脚手架工程需要专家论证。

★方案编制完成后
②材料计算
从材料计算完成给加工厂下单到首次进场材料生产完成需要15个工作日时间即从确定中标到进场,至少需要预留30个工作日时间。

素材来源:豆丁施工、安全艺人、腾越建筑